Leírás
Motoros membránszivattyú PVDF fejjel, PTFE membránnal, kerámia golyós visszacsapóval és EPDM golyósszelepülékkel.
Az Etatron motoros adagolószivattyú termékcsaládja széles körben felhasználható a szivattyú nagymértékű testreszabhatósága miatt, így maximalizálva a gazdaságosságot és a praktikumot.
Az AD sorozat nagy áramlási sebességű, robosztus kialakítású, rendkívül megbízható motoros membránszivattyú PTFE membránnal. Alkalmazható vegyszerek nyomás alatti hálózatba történő adagolásához.
Valamennyi adagolószivattyú alapértelmezés szerint manuális lökethossz állítással rendelkezik. Egyes modellekhez -10mm lökethossz esetén- opcionálisan rendelhető automata lökethossz állítás 4-20 mA jel bemenettel.
A szivattyú háza eloxált alumíniumból készül, így ellenáll a későbbi korróziónak, valamint saválló festékkel van bevonva, védve a berendezést az alkalmazott vegyszerek ellen.
Felhasználási területek:
- Kezeltvíz adagolás
- Vegszeradagolás
- Ivóvíz
- Kútvíz
- Kazán tápvíz kezelés
- Vegyipar
- Élelmiszer ipar
- Uszodavíz
- Szennyvíz
- Hűtőtorony
A szivattyúfej kialakítása:
- Hosszú élettartamú, univerzálisan vegyszerálló PVDF adagolófej
- Szimpla golyós visszacsapó szelepek
- Légtelenítő szelep
Üzemmódok:
- Manuális adagolás 10-100%
- 4-20 mA jel esetén inverteres vagy automatikus löket-hossz szabályzás
Műszaki adatok:
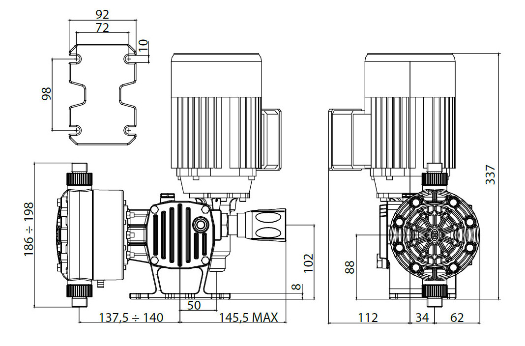
- Max. térfogatáram (50 Hz-en): 61 l/h
- Max. nyomás: 7 bar
- Öntött és utókezelt aluminium ház
- Saválló festés
- Lökethossz: 4 mm
- Löketszám: 60 / perc
- Dugattyú átmérő: 85 mm
- Motor teljesítmény: 0,18 kW
- Csatlakozó: 1/2″ külső menet
Anyagok:
- Adagolófej és csatlakozók: PVDF
- Szelep golyó: Kerámia
- Tömítés / golyósszelepülék: EPDM
- Tömítés / membránszelepülék: PVDF
- Membrán: PTFE / NBR
Egyéb elektromos adatok:
- Hálózati frekvencia: 50 Hz
- Névleges feszültség: 230-400 VAC, 3 fázis, 50 Hz
- Védettségi osztály: IP55
- Szigetelési osztály: F
Így is ismerheti: Etatron ST-D motoros membránszivattyú AD0061SI00100, “PDM-Diaphragm motor-driven pump, 61l/h @7bar; 230-400V/3phase/50Hz; 0,18kW; PVDF head and connections, PTFE / NBR membrane, EPDM sealings, ceramic ball valves”.

